三峡坝区路灯控制系统的改造
摘要:为改善目前路灯控制系统,节省管理费用。实现道路照明的高效节能,提出了替代目前路灯控制系统的全自动控制设计方案。如果在三峡坝区试制和使用,则将产生显著的效益。
关键词:道路照明 全自动控制 电路设计
1 坝区右岸路灯控制系统现状
在进行三峡坝区右岸主干道西陵大道照明设计时,选择了由光照强度决定路灯电路开关的控制方式,对坝区道路照明实现自动控制作了初步探索。这种方式虽被称为自动控制,但控制器易受人为或因素干扰,昼亮夜熄的现象时有发生。如夜间过往船舶的探照灯光、雷雨天气的闪电、节日燃放的礼花、近距离的电焊弧光等都能引起夜间正常照明的路灯短时间熄灭,不仅使整个控制回路的主要接触器及路灯寿命受到很大影响,造成经济损失,也给行驶中的车辆和行人带来安全隐患。在照明工程实施阶段,长江委工程师将路灯控制器改为时钟控制。几年的运行实践证明该控制系统性能稳定可靠、管理费用较省。但由于季节轮回昼夜起始时间相差达两个小时左右,每年对时钟控制系统进行数次基于正常天气状况的开关时间调整。若遇三峡地区较常见的恶劣天气造成的白天光照强度过低,时钟控制电路便需由人工操作来实现道路照明。
2 全自动路灯控制器的设计及工作原理
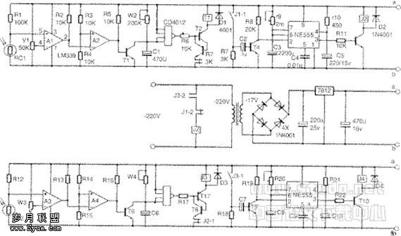
为克服上述路灯控制系统的不足,展现三峡工程一流的管理水平,笔者设计出一种完全不受外界干扰、投入使用后无须专人看管的全自动路灯控制器,其框图如图1所示,电路如图2所示。

图1 原理框图
图2 电路图
由夜间向白天过渡时,光照增强,RG1两端压降减小,由Al、A2组成的电压比较放大器输出为低电位,Tl由导通变为截止。G1开始充电,充电时间由W2调整。6分钟后(时间自定,下同),四输入“与非”门输出端由高电位变为低电位,T2、T3构成的模拟可控硅实现负电位触发,Jl继电器吸合,将主控回路继电器J2断开,路灯熄灭。与此同时,接点J1-1闭合,正脉冲经过C2使T4瞬间导通,时基电路NE555的②脚对地短路,计时开始,此时③脚输出高电位,T5导通,J1吸合,接点将J3回路断开,实现互锁功能30分种。
由白天向夜间过渡时,光照下降,RG2两端电压上升,A4输出为低电平,T6由导通变为截止,C6充电。6分钟后“与非”门输出为0,继电器J3吸合,将主回路接触器J2接通,路灯燃亮。与此同时,接点J3-1闭合,时基电路NE555的②脚输入低电平,计时开始,输出端③脚持续30分钟的高电平,T10导通,J4吸合,将J2回路断开,实现30分钟互锁。
3 元器选择与安装调试
图中RG1、RG2为光敏电阻:W1、W3电位器宜选择线绕的,以减小温度变化对电路的影响;A10~A4为四电压比较器LM339;“与非”门用CD4012;三极管除T2、T7为9012外,其余均为9013;继电器为 JZc-22F;电源变压器宜为5~10W;上下电路完全对称,元器选择相同,其它器件无特殊要求。
控制系统安装时,首先调试延时电路:旋转W1,使A2输出由高电平变为低电平,用万用表监测C1两端,从开始充电的时刻计时,调节W1使之充电时间达到6分钟时J1吸合,此时J2也立即吸合,再调节R9,使J2在30分钟后释放。然后调试光控部分:选样傍晚,在驾驶员认为路灯应该点亮的光照条件时,调节W2和W3,使此时的T1由截止变为导通,J1释放、T6由导通变为截止,6分钟后J3吸合,J4吸合将主接触器J2吸合,路灯点亮。上下电路对称,调试步骤相同。
经过数日试运行和反复调试,就能达到无人控制和看管,实现真正意义上的全自动控制。本设计所采用的元器件均为技术成熟的普通民用。具有价格低廉、可靠性高、管理费用少、适应性广、高效节能等特点,在三峡坝区应用并推广后将产生显著的社会效益。