PLC控制系统与智能化中央空调
摘要: 可编程控制器由于其在控制方面的应用意义日趋明显,并在发电、化工、等行业工艺设备的电气控制方面得到了广泛的应用。它具有功能强大、使用可靠、维修简单等许多优点,并且在很多地方已逐步取代了继电器电路的逻辑控制。与此同时,智能化中央空调也正被广泛地应用,在将其俩双双结合的情况下,不仅促进了科技的,也提高了人民生活水平。
关键词: PLC 控制系统 智能化 编程 控制器
1 概述
1.1 引言
随着我国的不断发展,社会高度信息化,新的高科技技术不断应用到各个方面中,使得智能化已成为一种发展的必然趋势。智能化也往往是从设备自动化系统开始。本文主要针对我们本次的毕业设计《智能化小型中央空调》阐述PLC控制设计与智能化中央空调(冷冻站)系统的关系。
1.2 系统及工艺简介
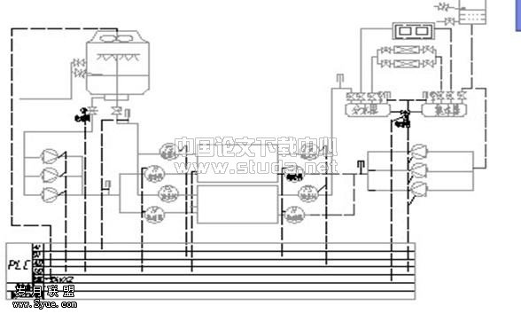
现介绍如下:我们本次的设计中有两套中央空调系统,由三台冷却水泵、三台冷冻水泵、一台冷却塔风机、两台冷水机组等主要设备组成两套制冷系统(因系统小,冷却塔功率大,实验室要求等,本系统较一般两套制冷系统不同的是两台冷水机组却只选择一个冷却塔,经核定,这并不影响其效果)其中冷水机组是由设备生产厂成套供应的。根据本次设计的实验室要求,我们选择了2*5匹全封闭式压缩机冷水机组。它一般是根据空气调节原理及等由微处理器自动控制。冷水机组由压缩机、冷凝器与蒸发器组成。压缩机把制冷剂压缩,压缩后的制冷机进入冷凝器,被冷却水冷却后,变成液体,析出的热量由冷却水带走,并在冷却塔里排入大气。液体制冷剂由冷凝器进入蒸发器蒸发吸收热量,使冷冻水降温,然后冷冻水进入冷风机盘管吸收空气中的热量。 如此循环不已,把室内的热量带出,达到降低环境温度的目的。因此,中央空调冷冻系统的工艺控制要求为:
(1)测量冷冻水供回水温度及流量,从而计算空调实际的冷负荷,根据实际的冷负荷来决定冷水机组的开启台数,达到最佳节能状态。
(2)各设备的程序联动:启动:冷却塔风机——冷却水泵——冷冻水泵——冷水机组。停止:冷水机组——冷冻水泵——冷却水泵——冷却塔风机。当其中一台冷却水泵/冷冻水泵出现故障时,备用冷却水泵/冷冻水泵会自动投入工作。
(3)测量冷冻水系统供回水管的压差△P=P1-P2控制其旁通阀(TV)的开口度,使其维持压差。
(4)因我们本次设计的实验室的目的是为给同学们更形象生动的学习理解中央空调系统,所以设计过程中,我们还会考虑到在合适并重要的位置处装上便于观察制冷剂或水流情况的窥视镜。
1.3 PLC原理及应用
中央空调冷冻系统的控制有3种控制方式:早期的继电器控制系统、直接数字式控制器DDC以及PLC(可编程序控制器)控制系统。继电器控制系统由于故障率高,系统复杂,功耗高等明显的缺点已逐渐被人们所淘汰,直接数字式控制器DDC虽然在智能化方面有了很大的发展。但由于DDC其本身的抗干扰能力问题和分级分步式结构的局限性而限制了其应用范围。相反,PLC控制系统以其运行可靠、使用与维护均很方便,抗干扰能力强,适合新型高速结构这些显著的优点使其逐步得到广泛的应用。
可编程控制器是计算机家族中的一员。于上个世纪中后叶被发明后,在机床、各种流水线的输送机械、发电、化工、电子等行业工艺设备的电气控制方面得到了广泛的应用,早期的可编程控制器被称作可编程逻辑控制器(Programmable Logic Controller), 即简称为PLC。
PLC具有功能强大、使用可靠、维修简便等许多优点。对于传统的继电器电路来说,它难以实现复杂逻辑功能的和数字式控制,而且要实现一定规模的逻辑控制功能不仅设计繁琐,难以实现升级,并易发故障,维修复杂,现在已被大中型设备的控制系统所抛弃。而PLC正被广泛的应用并且已逐步取代了继电器电路的逻辑控制。随着技术不断的飞跃发展,PLC也不断得到完善和强大,同时它的功能也大大超过了逻辑控制的范围,如联网通信功能和自诊断功能等。因此今天这种装置被我们称作可编程控制器,不过我们还是习惯简称这种装置为PLC。
2 PLC的体系结构
2.1 PLC结构图
PLC实质上是一种被专用于工业控制的计算机,其硬件结构和微机是基本一致的。如图2.1.1所示:

图2.1.1 PLC硬件的基本结构
PLC主要是模块式的,包含CPU模块、I/O模块等,PLC一端接传感器,另一端接执行器,从传感器得到的数据经PLC读、运算等处理下达给执行器,执行器动作。PLC相当于 继电器的作用,其好处是可靠性高,自动化程度高、可进行网络化等。
2.2 PLC的选型及设置
为了满足以上所介绍的空调工艺要求,整个控制系统需要可编程序控制器的输入、输出点分别是112点和32点,其中模拟量输入、输出为6点和4点。根据PLC的I/O原理使用原则,即留出一定的I/O点以做扩展时使用,以及系统设计中实际所需的I/O点数。选用华光电子工业有限公司的SU-5/B型。主机:SU-5/B;输入模块:U-25N、U-01AD;输出模块:U-05T、U-01DA。这种机型的I/O点数为256点,有RS-422通讯端口,其编程指令有143条,并配有相应的编程软件S-62P,不仅可以通过手持编程器对其编程。而且可以通过PC机对其进行编程输入。该软件还能在PLC运行时监控其运行状况。
2.3 软件设计
制冷系统的启动/停止是用于制冷系统的手动启动/停止控制。也可以通过温度设定,依据冷负荷的需要自动开启制冷系统。每台设备均设有自动、手动、备用三种运行状态,自动用于联锁集中控制;手动用于调试或检修;备用状态用于热备用。三台水泵二工一备。其中备用泵循环轮换,提高设备的保养率。各台设备按工艺要求顺序自动启动/停止时,采用每台设备启动后经15s左右延时,再启动下一台设备。一是考虑水泵稳定运行有个过程,二是避免数台电动机同时启动,冲击变压器,影响供电质量。
为提高中央空调系统的经济性、可靠性及可维护性,需采用控制产品对中央空调系统的各个设备进行控制。早期的中央空调控制器多为就地式专用控制器和DDC控制器,它们具有控制功能简单、不易联网及信息集成度不高等缺点。随着计算机技术、控制技术和网络技术的发展,现在的中央空调系统都倾向于采用先进、实用、可靠的可编程控制器(PLC)来进行控制。
3 PLC控制系统主要功能与特点
3.1 PLC控制系统功能说明
如空气处理机PLC控制原理简图所示:
1. 当启动空气处理机时,PLC发出控制指令。首先开户回风门和新风门到设定位置,然后启动送风机,同时通过控制变频器,从而调节风机的转速。
2. 露点温度与系统设定值相比较后,用PID方式调节冷水电动阀,控制冷水流量, 使送风温度达到设定值。
3. 送风机转速的快慢是由回风温度与系统设定值相比较后,用PID方式控制变频器,从而调节风机的转速,达到调节回风温度的目的。
4.当过滤网前后压差超出设定值时,PLC发出过滤堵塞报警信号。
5.当空气处理机停止运行后,新风门、回风门和冷水电动阀回复到全关位置,并关停冷水环泵。

上位机监控系统主要完成对工艺参数的检测、各机组的协调控制以及数据的处理、分析等任务,下位PLC主要完成数据采集、现场设备的控制及连锁等功能。除此以外,PLC系统还有如下功能:
◆ 数据显示功能
显示机组的运行参数,包括冷水出口温度、冷水入口温度、冷却水出口温度、冷却水入口温度、蒸汽压力、蒸汽阀门开度,以及溶液泵、冷剂泵等所有屏蔽泵的运行状态和各种故障报警的详细信息。
◆ 数据的存储及检索功能
对重要的数据进行在线存储,数据的存储时间最长为10年。可以通过历史报表或者历史趋势曲线的方式检索历史数据。
◆ 控制功能
根据设定的参数,并考虑经验运行数据,PLC应用反馈数据 (如室内温度等)进行PID调节,以保证运行参数满足系统要求。控制系统有三种运行方式:就地手动、软手动和自动。就地手动就是通过就地手动操作设备对机组进行控制,软手动是通过PLC对机组进行手动控制,自动则是根据编好的控制程序自动控制相关设备的启、停及调节量。采用程序控制方式,杜绝冷剂污染,有效便捷地实现冷水、冷却水的变频控制。通过有效合理地开、停控制,达到启动速度快、停机时间短的目的,即能节省能耗,还能避免结晶,从而提高中央空调系统的安全性和经济性。
◆ 连锁与保护功能
各机组相关设备的启、停具有一定的连锁关系和时间顺序,该功能由PLC的连锁程序完成。同时,为保证机组的可靠运行,对相关参数采取了一定的保护措施,如冷水、冷却水与机组的连锁控制、冷却水系统与冷却塔的连锁控制等。
3.2 系统特点
◆ 灵活性
本控制系统选用可利用公司的小型一体化PLC代替传统空调主机控制系统中的单片机,较大程度地提高了系统配置及控制的灵活性,能更好地满足不同用户的不同需求。同时,明显缩短了程序开发周期。
◆ 高可靠性
PLC控制核心能够在恶劣的环境中长期可靠、无故障运行,并且易接线、易维护、隔离性好、抗腐蚀能力强,能适应较宽的温度变化范围,平均无故障时间间隔(MTBF)大于15年。
◆ 强大的功能
的PLC的编程语言遵从易学、易懂、易用的标准。除了具备传统PLC助记符和梯形图编程功能外,还具有结构化语言和顺序功能图编程功能。PLC提供各种功能模块,包括各种通讯功能选择、通讯参数设置,以及可以具体到某年、某月、某日、某个时刻的多种定时器和超长定时器等,方便了各种功能的实现,有利于缩短开发周期和节省程序容量。
◆ 优良的开放性
上位软件Focsoft3.1支持DDE、OPC、ODBC、SQL,并提供丰富的API编程接口,方便接入其它系统。
4 控制方法
4.1
对于冷冻水系统,其出水温度取决于蒸发器的设定值,而回水温度取决于蒸发器接收的热量,中央空调冷冻水出水温度与冷冻水的回水温度设计最大温差为:5℃(比如:出水7℃,回水12℃),现采用在蒸发器出水管和回水管上装有检测其温度的变送器、PID温差调节器和变频器组成闭环控制系统,通过冷冻水温差(如:△T=5℃)控制,即可使冷冻水泵的转速相应于热负载的变化而变化。


冷水机组系统PLC电路控制简图
4.2
对于冷冻水系统,由于低温冷冻水的温度取决于冷却塔的工作情况,我们只需控制高温冷冻水( 冷凝器出水)的温度,即可控制温差。现采用温差变送器、 PID 调节器和变频器组成闭环控制系统,冷凝器出水的温度控制在 T2 ( 如: 37℃),使冷却水泵的转速相应于热负载的变化而变化。

4.3
在管道中取压力信号采样和温差变送器,通过PID调节器进行优化,通过PLC控制变频器,以此控制3台水泵电机的运行,系统启动开始工作,当第1台电机运行至工频状态时,如管网压力不够,变频器控制第2台电机开始工作,若工作到工频状态时管网管压仍不够时,变频器自动切换至第3泵使其变频运行,第1、2台电机工频运行,直至管网所需管压。当外部需求降低,管网管压提高时,第3台运行停止,变频器自动切换至第2泵,使其工作在变频状态下若还达不到要求,再切换至第1电机,如此周而复始,始终让系统工作在最优、最佳、最省的工作状态。
5 系统的设计和应用
由于整个实验室正在逐步筹划和建设的过程中,许多设计还处于探讨之中,众多功能还未付诸实施。
现在本文就系统改造实现情况作简单介绍:本文的系统调试应分为两步,设备电气控制系统调试和中心系统调试。我们就已完成的设备电气控制系统设计、调试及使用情况作一下说明:针对实验室的要求:要求电气系统运行稳定,感温精确度高,维护方便寿命长,并能联网进行管理。除此之外在实际使用中系统的故障报警部分设计还不够完善,许多功能还未开发。本文经过对设备状况和同学们对中央空调学习认识的调研,本文认为可采用三菱公司的A系列PLC作为设备的控制系统核心。它不仅具备普通PLC可编程控制器的各种优点,而且能够利用以太网网络模块(B2/B5)组建MELSECNET网络,最终达到建成先进的分布式控制系统,既实现各种设备之间的联网,实现远程控制和管理。
当然系统基本达到了设计的要求,它不仅具备基本逻辑控制功能,还具有联网通信功能和管理功能等。另外相对与老的控制系统,它工作稳定、故障率低,并能进行系统自动报警,操作及维护十分简便,维修综合成本(待机时间等)大大降低。
6 结束语
在智能化中央空调冷冻系统中,采用PLC控制系统是切实可行的,中央空调冷冻系统用PLC控制可以有效地保证其工作稳定、可靠,便于维护,且性能价格比高。 同时以PLC为核心的高可靠的监控系统实现了对空调主机的控制及两台主机之间的协调控制,具有先进、可靠、、灵活等显著特点。
1.《中央空调工程设计与施工》,吴继红、李佐周编著,高等出版社
2.《制冷空调自动控制》,张子慧等编著,出版社1
3. 三菱公司,三菱微型可编程控制器编程手册,2000
4. 《可编程控制器原理及应用》,顾战松、陈铁年编著,国防出版社,1996
5. 肖海亮等编著,实现微机和PLC在以太网中的通信,电气自动化,2001.5
6. 宋伯生编著,可编程控制器配置、编程、联网,气象出版社,1995.5
7. Http://www.baidu.com
8. Http://www.anodeauto.com
9. Http://www.borland.com











