某肉羊屠宰项目制冷工艺设计
摘要:结合实际工程,简单介绍了肉羊屠宰项目各生产库房在不同蒸发温度下制冷压缩机及制冷系统的选择,同时对每个库房制冷方式的选择及其特点进行了说明。
关键词:制冷方式 制冷系统 蒸发温度 氨泵强制供液系统
1. 项目简介
1.1 生产规模
1)屠宰加工能力:500只肉羊/班·日。
2)排酸间总预冷量:30T/24h,共分两间,总建筑面积为100.8m2,净高6.0m。
3)分检包装间:12m×24m,总建筑面积288 m2,净高4.5m。
4)冻结间冻结加工能力:30T/20h,每日速冻2次,每次10h,共分两间,每间冻结能力15T/20h,,总建筑面积为112.5m2,净高4.5m。
5)低温冷藏库贮存能力:150T,共分两间,每间库容75T,总建筑面积为112.5m2,净高4.5m。
1.2 生产工艺要求
1)预冷:使屠宰后中心温度为35~38℃的热鲜肉在24h之内冷却到10~15℃。
2)分检包装:将预冷后的鲜肉按品种分别进行包装,保证冷却肉温度不回升。
3)速冻:将包装好的冷却肉在10h之内速冻,使肉中心温度达到-18~-15℃。
4)冷藏:保持库温≤-18℃,肉中心温度≤-15℃。
2. 室内设计参数
各库房室内设计参数见表1。
库房室内设计参数表1
名称 参数 | 排酸间 | 分检区 | 冻结间 | 冻结物冷藏间 |
| 温度(℃) | 0 | 10 | -23 | -18 |
| 相对湿度(%) | 90 | 85 | 95 | 95 |
| 蒸发温度(℃) | -10 | -10 | -33 | -33 |
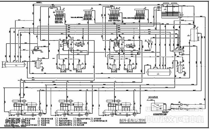
3. 制冷工艺设计
3.1 制冷剂
选用氨(R717)制冷剂,其特点是标准条件下蒸发温度低,单位容积制冷量大,节流损失小,难溶于润滑油,且价格低廉,比较容易取得。
3.2 制冷负荷
各库房的制冷冷却设备负荷和制冷机机器负荷见表2。
各库房冷负荷参数表2
名称 参数 | 排酸间 | 分检区 | 冻结间 | 低温冷藏间 |
| 冷却设备负荷(KW) | 28 | 103 | 156 | 11 |
| 制冷机机器负荷(KW) | 25.6 | 75 | 122 | 8.12 |
3.3 制冷系统划分
考虑到冻结间及低温冷藏间的蒸发温度相同(-33℃),且冷藏间的耗冷量较小,故将二者的制冷系统合为一个系统,即低温蒸发制冷系统。排酸间及分检包装间的蒸发温度相同(-10℃),故将二者的制冷系统合为一个系统,即高温蒸发制冷系统。
3.4 低温蒸发制冷系统(-33℃)
1)制冷机
根据制冷机机器负荷及蒸发温度,该系统选用液氨冷却二次进气的螺杆式制冷压缩机JKA12.5CB(Y)两台进行制冷,在-35℃/+35℃的工况下,总制冷量为122.4KW,可满足耗冷量需求。压缩机投入运转的数量可根据冻结量、冷藏间应用间数的需要来决定,每台螺杆压缩机均可在15%~100%范围内进行无极调节。
2)制冷系统
采用下进上出的氨泵供液循环系统,选用CDCA-5.0(V=5.0m3)型低压循环贮液桶一台,配套两台运行稳定性能先进的屏蔽氨泵(40P-40)为制冷系统提供氨液循环。该系统的主要特点有:
a.可使蒸发排管内表面得到氨液充分的润湿,提高制冷效能;
b.较大流量的氨液,以较高的流速流过蒸发排管,冲刷排管内表面的润滑油膜,提高蒸发排管的传热效率,又能将润滑油带至低压循环贮液桶集中排放,既方便又安全;
c.用低压循环贮液桶代替氨液分离器、融霜排液桶等辅助设备,可以简化系统,节省设备安装及维修费用,节省设备间的建筑面积,简化了操作;
d.供液膨胀阀、氨液液位控制装置、放油装置等均集中在机房设备间内,便于监视、操作和维修,有利于安全运行;
e.便于实现化。
3)冻结间制冷方式
为了加速肉食品的冻结,每间冻结间均采用搁架式排管加吊顶式冷风机的联合制冷方式。根据建筑平面布置特点,在每间冻结间两侧各设置一组冷却面积为72.1 m2的搁架式排管,在其中一组搁架式排管上放置一台冷却面积为560 m2的吊顶式冷风机。该联合制冷方式的特点是冻结降温速度快,盘间气流均匀,适用于盘装切片肉的冻结。
4)低温冷藏间制冷方式
由于低温冷藏间的耗冷量相对较小,因此每间冷藏间均采用两组冷却面积为40.74 m2的氨双排集管式光滑顶排管进行制冷,排管吊顶敷设在冷藏间顶板下。该制冷方式的特点是不占用库房面积,库房容积利用率高,温度场均匀,无死角,便于除霜,卫生标准高。
3.4 高温蒸发制冷系统(-10℃)
1)制冷机
根据预冷排酸间及分检包装间的耗冷量及蒸发温度,该系统选用液氨冷却单级螺杆式制冷压缩机KA12.5CB(Y)一台进行制冷,在-10℃/+35℃的工况下,总制冷量为209KW,可满足耗冷量的需求。
2)制冷系统
本系统采用下进上出氨泵供液循环系统,选用CDCA-2.5(V=2.5m3)型低压循环贮液桶一台,配套两台运行稳定性能先进的屏蔽氨泵(32P-40)为制冷系统提供氨液循环。
3)排酸间制冷方式
依据工艺要求,每间排酸间的蒸发器选用一台吊顶式冷风机对羊劈半胴体肉预冷。其特点是冷却速度快,冷却覆盖面广,但胴体肉表面容易风干失水。
4)分检包装间制冷方式
考虑到分检包装间面积较大,且为空调工况,采用两台吊顶式冷风机配套相应的风道系统进行制冷。
3.5 冷凝器选型
由于该项目位于水源缺乏地区,但建设位置比较开敞、通风良好,结合实际情况,选用一台ZNX600型蒸发式冷凝器对高温高压的氨气进行冷凝处理。该冷凝器的特点是占地面积小,结构紧凑,换热效率高,耗水量低,耗电量小,耐腐蚀,使用寿命长,可大大降低运行管理费用。
3.6 融霜方式
本制冷系统中,吊顶式冷风机采用热氨+水融霜方式,搁架式排管及顶排管采用热氨融霜+人工扫霜的融霜方式。
3.7 系统放油
为避免由于阀门关闭失严或操作失误引起串压,本系统中高压容器与低压容器各设置一台JYA-300R型集油器进行放油。
3.8 冷却水系统
由于本系统蒸发式冷凝器耗水量极小,故选用一台3m3的补水箱及两台冷却水补水泵(一用一备)为冷凝器提供冷却循环补水。
4. 结束语
本肉羊屠宰项目的制冷工艺在设计过程中,从制冷压缩机的选择到制冷系统各辅助设备的选型以及各库房制冷方式的选择上都做了优化设计,根据项目建设场地的实际情况,综合分析各制冷系统在建设场地客观条件下的可行性运行情况,最后本着、适用、实用、结构紧凑、建筑美观大方的原则确定上述制冷工艺方案。目前,该肉羊屠宰项目已进入试投产,制冷系统运行良好。
:
[1] 湖北建筑设计院《冷藏库设计》编写组. 冷藏库设计. 北京:建筑工业出版社. 1986.
[2] 商业部设计院编著. 冷库制冷设计手册. 北京:农业出版社.1988.
[3] 厦门水产学院制冷教研室主编. 制冷技术问答. 北京:农业出版社.1981.
[4] 中华人民共和国国家标准GB50072—2001. 冷库设计规范. 2001—06—01实施.
附:制冷系统原理图











