宾馆暖通系统的整改
摘要:本文以实际工程为背景,对宾馆改扩建后暖通系统在实际运行中产生的冷却水高温等主要问题进行了叙述和分析,针对产生的问题,进行了论证并提出了一些大胆的整改方案。
关键词:冷水机组 冷却塔 冷却水
1. 引言
江苏连云港某宾馆按四星级改扩建后,于2002年5月正式营业,经过近一个月的试运行,空调系统出现了很多问题,经过本人对整个系统的仔细观察和分析,发现整个系统不仅在安装上存在很多问题,而且在设计上也存在不少的缺陷,如不进行整改,不仅造成能耗的浪费,而且将很难保证系统以后的正常运行。
2. 系统概况
2.1. 宾馆建筑概况
改扩建后的新宾馆分为主楼和辅楼两大部分,总建筑面积为31000余平方米,占地面积约为6800平方米。其中主楼面积为24400平方米,局部六层,一、二楼为餐饮和大堂,餐饮面积为5054平方米,大堂为1200平方米,三至六层为客房,共有各类客房273间套。辅楼有五层,四、五层为会议和康乐区域,面积为2500余平方米;三层为办公及员工食堂区域,变配电室也设在该层,面积为1500余平方米;二层为员工更衣室、洗衣场和仓库等;一层为设备层。由于宾馆依山而建,地形特殊,导致暖通系统的前端设备和末端设备相距有400余米。
2.2. 暖通系统概况
2.2.1. 系统末端设备
整个暖通系统按舒适性空调设计方案设计,采用两管制,其末端设备根据需求不同分别采用风机盘管、卡式风机和空调箱另加新风系统。
2.2.2. 系统前端设备
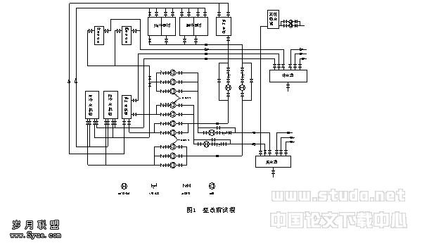
前端设备及系统流程如图1所示,其中:
A. 冷水机组三台,1#、2#机组为美国产CARRIER离心机组,制冷量为1400KW,3#机组为大连冰山螺杆机组,制冷量为750KW。
B. 冷冻水泵5台,流量为320m3/h,输入功率为45KW的3台;流量为138 m3/h,输入功率为22KW的2台。
C. 冷却水泵5台,流量为320m3/h,输入功率为45KW的3台;流量为174 m3/h,输入功率为30KW的2台。
D. 冷却塔3座,1#、2#冷却塔的冷却能力为1750000kcal/h;3#冷却塔的冷却能力为875000 kcal/h。
3. 运行分析
3.1. 运行中的问题
A. 当环境温度高于34℃时,3#冷水机组连续运行30分钟左右就因其冷却水温度过高而保护停机,其冷却水出机温度达38℃以上,进机温度达35℃以上;
B. 当用一台小冷冻泵配合3#冷水机组运行时,部分末端区域因其流量太小,制冷效果差,导致客人投诉现象频繁,必须启动一台大泵,经离心机组旁通后方能满足需要;
C. 当运行1#、2#冷水机组时,机组经常运行在喘振保护状态,其冷却水出机温度达35℃以上,进机温度达32℃以上;
D. 冷冻水系统采用的补水设备为定压给水设备,无膨胀水箱,而定压给水设备是全封闭设备,整个系统缺少水处理的投药口。而且,由于市政给水压力已基本能满足使用要求,定压给水设备并未得到正常作用。

3.2. 问题分析
由于设备是新设备,管道保温全部采用50mm橡塑保温材料,保温施工也基本达标,因此,A.、C问题的产生,其主要原因应该是冷却塔的冷却能力不能满足需要所致,仔细分析一下原设计方案(如图1所示)不难发现:冷却系统和冷冻系统中的管路连接都有不足之处,即3#冷却塔、3#冷水机组和两台小冷却泵组成一个相对独立的冷却系统,两台小冷冻水泵和3#冷水机组组成了一个相对独立的冷冻水系统。这意味着当运行3#冷水机组时,如果3#冷却塔的冷却能力不能满足需要,另外两座冷却塔虽然冷却能力是其数倍,但因它们之间缺少必要的连接而不能与之并联或串联使用;同样,当1#、2#冷却塔的冷却能力不足时,3#冷却塔也只能袖手旁观。
问题B. 的产生,原因是多方面的,比如:管线太长;分区不合理;管道在安装时缺少合理的避让,弯头增加太多,增加了管路的沿程阻力;平衡措施不到位等。除了以上几方面因素外,本人认为在设计上也有不合理之处,由图1 可以看出;虽然冷却水泵和冷冻水泵各有5 台,数量充裕,但5台水泵被分成了两个相对独立的系统,当两台小水泵故障或流量不能满足需要时,另外3台大泵因无法与之互为备用,系统的运行可靠性并未因水泵的数量充裕而得到加强。
问题D. 的产生,是在设计时考虑不周及对当地的实际供水情况了解不透造成的。
4. 整改方案
综上所述,本人认为原设计方案不仅不能保证暖通系统可靠的运行,而且,还存在着较大的资源浪费现象。主要体现在泵的数量太多以及管件非必要重复严重等,导致了设备层管线密集,空间拥挤,给日常的维护管理也带来了诸多不便。为了保证整个系统能高效可靠的运行,尽可能的降低维护管理成本,对原系统进行整改已非常必要。经上级领导批准,本人针对宾馆的特点和设备的实际使用情况,作出了如图2所示的整改方案。
在整改方案中,本人将3台冷水机组的冷冻系统和冷却系统分别进行了必要的有机连接;将水泵的数量降为6台,即根据两台小冷冻水泵和冷却水泵的使用机会极少及使用效果极不理想的实际情况,将它们全部去掉,分别保留3台流量为320m3/h的冷冻水泵和冷却水泵;将3#冷水机组的冷却水出机管连接到1#、2#冷水机组的冷却水出口总管上;将3#冷水机组的冷冻水进机管接到3台大冷冻水泵的出口总管上。与原方案相比,将节约材料:DN200无缝钢管约100米,22KW水泵2台,30KW水泵2台,DN200蝶阀16个,DN200止回阀4个,DN200 Y型滤器2个,DN200除垢装置2台,橡塑保温材料约10 m3,铁皮近50 m2等其它一些附属材料。按当时的工程预算,价值20多万。
另外,考虑到流量及压差的调节,分别在冷却水泵和冷冻水泵的进出总管各增加了一路旁通;为了便于以后可能的冷冻水处理,在定压给水设备前增加了一个1 m3过度水箱兼投药口,水箱的水位由浮球阀控制,这样,定压设备也得以正常运行。
再者,当时辅楼四、五层的暖通工程尚未施工,按原设计方案,其冷凝水被直接接到卫生水排放管上,考虑到这种做法,不仅是一种能源浪费,而且在冬季取暖工况时,水封中的水分一旦蒸发,排放管中的异味就有可能反窜到空调房间,如果把它汇总后接入冷却塔,不仅根除了以后窜味的可能性,还将大大改善冷却塔的冷却效果,实乃一举两得之事,从施工现场看,如果在四、五楼施工时进行整改,其施工难度和投入都不大,只需增加一根立管,将每层的冷凝水接入该管即可。本人把自己的设想上报了领导,也得到了认可和批准。
5. 结论
整改后的空调系统经过了一个夏季的运行,除了个别房间因其气流组织不好或风管安装不到位而制冷效果不理想外,整体效果还是令人相当满意的,原先3#机组经常高温保护停机的现象已得到彻底根除,而且,整个机组还经受住了38℃环境高温的考验,可以想象,如果以后辅楼的冷凝水再接入冷却塔,其冷却效果肯定会更理想。这充分说明系统的整改是成功的。
6. 资料
A. 电子部第十设计研究员主编《空气调节设计手册》 建筑工业出版社 1995B. 陆耀主编《HVAC暖通空调设计指南》 中国建筑工业出版社 1996
C. GBJ19-87 采暖通风与空调节设计规范











