PRB-21型航标灯器交流无浪涌电源设计
来源:岁月联盟
时间:2010-08-21
该文详细介绍了交流无浪涌电源的设计思路、系统组成和各部分电路的基本原理。
关键词:交流;电源;设计。
前言:
灯塔是船舶安全航行的重要助航设施,为了保证灯塔正常发光,我国进口了大量大中型航标旋转灯器,PRB-21型灯器就是其中一种,它是我国在上世纪80年代末从英国引进的,运行至今已近20年,由于使用时间长、电子元器件老化等原因,这种灯器近年来故障比较多,对配件供应的需求提出了更加迫切的要求,尤其是浪涌抑制器的需求量较大。
PRB-21型灯器采用密封光束灯阵作为发光体,使用100V至220V不等的交流电压工作,如果没有浪涌抑制器,当灯器开始发光时,由于冷态灯泡电阻小,在电压刚加到灯泡的瞬间,会产生强大的浪涌电流,对灯泡造成冲击伤害,大大缩短了灯泡的使用寿命,针对这一问题,灯器在每组灯泡中都串接了浪涌抑制器。但是,近几年由于该抑制器大量出现故障,又无法修复,进口该器件费用较高,供货也不及时,因此有的灯塔只能在没有浪涌抑制器的情况下坚持工作,使灯泡的寿命大大缩短,灯器的维护工作量大幅度增加。
面对这一状况,航标技术人员多年来都在积极寻求解决该难题的技术方案,本文所介绍的交流无浪涌电源,是经实践验证,解决这一问题比较成功的一项研究成果,它采用了与原来进口灯器浪涌抑制器完全不同的技术方案,成功地解决了问题,且成本低,实际使用效果良好。
一、设计思路
PRB-21型灯器有若干组主用灯泡,以成山头灯塔为例,其主用灯泡有6组,原灯器每组灯泡设置了一个浪涌抑制器,这样,一个灯器上就安装了6只,按每只浪涌抑制器1000元,更换一次就需要6000元,成本高,维护繁琐,因此,我们在解决浪涌抑制的问题时,采用了集中控制方式,即采用一只交流无浪涌电源实行集中控制,使加到灯泡上的电压从0V开始平滑、连续地逐渐升高,灯丝通过低电压得到预热升温后,再将电压提高到额定电压,投入正常发光,这样就很好地消除了电流浪涌对灯泡的冲击。
二、系统组成
如图一所示,交流无浪涌电源系统由七部分电路组成,它们分别是:电源电路、同步控制电路、锯齿波发生电路、相位控制电路、

触发脉冲发生电路、升压控制电路和起动控制电路。
其中,升压控制电路是直接对浪涌进行抑制的电路,其余电路根据设计要求,完成升压控制电路的驱动任务。
三、基本原理
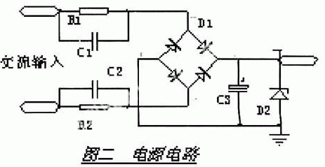
1、电源电路
电源电路的作用是将输入的交流电经降压整流,变成适合电路工作的直流电,为各部分电路提供工作电源。其电路如图二所示。

该电路采用的是电容降压的方式,C1、C2为分压电容;R1、R2为泄放电阻,当电路停止工作时,用于泄放C1、C2上的残留电压;D1为整流桥,将交流电整流成直流电VCC;C3为滤波电容;D2为稳压二极管,起稳定直流电压VCC的作用。
2、同步控制电路
同步控制电路的作用是通过全波整流的方式,对输入交流电进图三同步控制电路

行相位取样,在输出端生成相位控制脉冲信号。其电路如图三所示。
电路中,D2为整流桥,R2、R3与R4构成分压电路,控制输出脉冲信号的幅度;发光二极管D1用于输入交流电的指示,R1为D1的限流电阻。经过取样、整流后,输出端输出的相位控制脉冲频率为输入交流信号的两倍,其过零点与输入交流信号在时间上完全对应一致。
3、锯齿波发生电路
锯齿波发生电路的作用是产生频率为输入交流电两倍的锯齿波。其电路如图四所示。
电路中,当三极管T1截止时,电源通过R3给电容C1充电,C1的电压逐渐升高;当T1导通时,电容C1通过T1迅速放电而回到0电位;当T1再次截止时,电源再一次对C1充电。按照这样的过程,T1反复导通和截止,就在输出端形成了锯齿波。来自同步控制电路的同步控制脉冲由本电路的输入端输入,经运算放大器IC1反相、整形后,控制T1的导通与截止,从而控制锯齿波的产生。由于同步控制脉冲与输入交流信号在时间上完全对应一致,因此,锯齿波的每个锯齿的起始点(亦即截止点)与输入交流信号的过零点完全对应。 
输入交流信号、同步控制脉冲信号和锯齿波信号的相位关系如图五所示。
4、起动控制电路
起动控制电路的作用是在电源刚刚接通时产生一个时间延时,等待各部分电路初始化完毕后,直至整个系统开始以无浪涌的方式输出交流电。其电路如图六所示。
电路中,IC1为运算放大器构成的电压比较电路,其正输入端为R2和R3分压信号,负输入端为电容C1的电压信号。当交流电刚刚输入时,电容C1尚未充电,电压为0,IC1的正输入端电位低于负输入端,因此输出为低电位;当交流电输入之后,电源经R1对电容C1充电,C1上的电位逐渐升高,当升高到高于R3上的电压后,IC1因正输入端电位高于负输入端,因此状态发生翻转,输出由低电位变为高电位。

本电路输出的起动控制信号分别送入相位控制电路和升压控制电路。当此信号为低电位时,两者均不工作,电源虽有交流输入但无输出;当此信号为高电位时,系统开始工作,交流电源电压按照预定的速度逐渐升高加到灯泡上,直至将交流电压足额加到灯泡上,使灯泡正式发光。
5、相位控制电路
相位控制电路的作用是产生相位控制信号控制触发脉冲的相位。其电路如图七所示。

本电路输出的相位控制信号传送到触发脉冲发生电路,相位控制信号越低,则触发脉冲越前移,从而控制触发脉冲的相位。起动控制电路产生的起动控制信号从输入端输入本电路,当电源处于预备状态尚未起动时,起动控制信号为低电位,光耦IC1导通,电源通过R1迅速对电容C1充电至饱和状态;当起动控制信号由低电位变为高电位后,光耦IC1截止,电源停止对C1充电,C1经电位器P1放电,产生一个从高电位逐渐降低的输出电压――相位控制电压信号。调整P1的阻值,即可调整相位控制信号电平的下降速度,通过控制触发脉冲的相位改变灯泡上电压的上升速度。
6、触发脉冲发生电路
触发脉冲发生电路的作用是产生触发脉冲,驱动升压控制电路连续平滑地提升加到灯泡上的电压。其电路如图八所示。

输入1是来自锯齿波发生电路的锯齿波信号,输入2是来自相位控制电路的相位控制信号。IC2通过电压比较的方式产生驱动脉冲;IC1、R1、R2、R3构成拖尾清除电路;D1、D2为隔离二极管,用于对输入锯齿波与拖尾清除信号的隔离。当相位控制信号电平较高时,IC2只有在锯齿波上升到足够高时才输出正脉冲,驱动升压控制电路中可控硅导通,因此通角比较小,输出到灯泡上的交流电压较低;随着相位控制信号电平的下降,触发脉冲产生的时间不断提前,升压电路中的可控硅导通角逐渐增大,输出到灯泡上的交流电压也逐渐升高。在上述过程中,IC1的负输入端的电位一直比正输入端的电位高,IC1的输出为0V,由于D2的隔离作用,它对IC2不产生任何作用;随着输出到灯泡上电压的不断升高,灯丝得到充分预热,当相位控制电压下降到一定值(灯泡上的电压上升到一定值、灯丝充分预热)后,IC1负输入端的电位低于正输入端电位,因此IC1输出端由0电位变为正电位,此信号经D2传输到IC2的正输入端,将IC2的正输入端钳位于正电位,使IC2一直输出高电压信号,驱动升压控制电路的可控硅完全导通,交流电压全额加到灯泡上,使灯泡达到额定发光功率正常发光。
7、升压控制电路
升压控制电路是抑制电流浪涌产生的执行电路,作用是控制交流电压缓慢地提升,达到无浪涌输出的目的。其电路如图九所示。

电路中,输入1为起动控制信号,输入2为触发脉冲。升压控制信号经过光耦IC1的本电路的直起动,在整个系统处于预备状态时,起动控制信号为0电位,此时IC1不导通,触发脉冲被隔离;当起动控制信号为高电位后,IC1导通,触发脉冲经R2、IC1的输出端传输到IC2,驱动可控硅输出交流电压到灯泡。T2为主控可控硅,其容量要求足够大,以满足大功率灯泡工作的需要。电容C1和电阻R6为T2的保护电路。IC2、T1、R3、R4和R5构成主控可控硅的触发驱动电路,触发脉冲经此电路实现对T2的有效触发。M1为交流电压表,用以监测输出电压。当系统起动工作后,T2在触发脉冲的触发下,控制交流电压从0V开始平滑、连续地逐渐升高,使灯泡在这个升高过程中得到充分预热后,才得到足额电压正式发光,达到了保护灯泡,充分延长灯泡使用寿命的目的。
结束语:
本文将我们在实际工作中研究设计应用的“交流无浪涌电源”作了技术介绍,希望能与同行进行讨论。由于水平所限,电路设计及叙述中必有诸多不妥之处,诚请斧正。
:
[1]童诗白:模拟技术基础.北京:高等出版社.2000年.
[2]何希才、毛德柱:新型半导体器件及其应用实例.北京:电子出版社.2002.12.
下一篇:浅谈电子衡器的防雷技术











