供热空调水系统的稳定性分析
Stability analysis of hydraulic networks in heating | |||||||||||||||||||||||||||||||||||||||||||||||||||||||||||||||||||||||||||||||||||||||||
| 摘要 为研究不同连接方式和系统调节方式对系统水力稳定性的影响,采用一个通用的水力稳定性定量分析指标对常用的异程系统、同程系统、分布式变频泵系统、混水系统以及环形网的稳定性作了分析比较,得出了可供供热空调水系统设计和运行调节的结论。 关键词:稳定性/水系统/集中供热/控制/设计 Abstract Adopts a general criterion evaluating the hydraulic stability of several types of networks including direct return, reverse return, distributed-pumps and loop networks in detail, which reveals the stability differences between these networks and the factors influencing the stability and reaches a few conclusions helpful to design and regulation in operation. Keywords:stability/ hydraulic networks/ district heating/ control/ design | |||||||||||||||||||||||||||||||||||||||||||||||||||||||||||||||||||||||||||||||||||||||||
0 引言 2.1 不带末端压差控制的系统
定性是保证自力式流量调节阀正常工作的必要条件,管网设计不合理,各用户流量耦合严重,将可能使系统发生振荡,影响系统的调节品质。
下面结合对水力稳定性的分析,讨论为了满足各用户的流量要求,同时提高其水力稳定性的具体措施。
从表中可以看出,干管末端局部加粗后就可大幅度提高末端用户的水力稳定性,使得所有用户的Ks值小于0.2,从而满足系统对稳定性的要求。 | |||||||||||||||||||||||||||||||||||||||||||||||||||||||||||||||||||||||||||||||||||||||||
对于VWV(变水量)系统的控制,通常要在上述基础上增加一个压差控制回路,也就是前面所说的第7回路。在这种情况下,若结构一定,对于特定的工况,影响水力稳定度的因素主要是循环水泵的特性和压差控制点的位置。
图2显示了3种泵的特性曲线,其中泵a就是前面讨论中所引用的循环泵;泵c是一种理想的平缓型水泵,其扬程在工作区内保持恒定;泵b是一种陡峭型的泵,水泵特性为:Hp=65.68-1.5G-0.0.3G2。表4列出了不同情况下各回路的Ks值,压差控制点的压力设定值即为该点当水泵转速为标准转速时对应点的压差。
图2 泵与管网特性曲线
通过对带末端压差控制回路异程系统的水力稳定性分析,可以得到以下结论:
①末端压差控制回路往往是所有回路中水力稳定性最差的,这一方面要求在设计时要着重考虑该回路的稳定性,另一方面在实际控制时一般需要采取一些特殊的措施,包括解耦控制等,例如可以采用前馈加反馈的方式来调节水泵转速,如同VAV中采用的总风量控制法[3]。
②主循环泵选用特性曲线平坦型的有利于提高各回路的水力稳定性,特别是压差控制回路。众表4可以看出,同样是控制用户2两端的压差,当选用陡峭型的泵时回路7的稳定度为-2.14,而当选用来平坦型的泵时稳定度为-0.744,该回路的稳定性得到了很大的提高。
表4 带末端压差控制的异程系统水力稳定度
| D | 2 | 3 | 4 | 5 | 6 | 7 | 2 | 6 | |
| F | 1,3-7 | 1-2, | 1-3, | 1-4, | 1-5,7 | 1-6 | 7 | 7 | |
| 4-7 | 5-7 | 6-7 | |||||||
| 泵b控制压差/m | 5~11 | -0.143 | -0.203 | -0.364 | -0.725 | -0.725 | -33.8 | -0.143 | -0.725 |
| 4~10 | -0.143 | -0.203 | -0.364 | 0.120 | 0.120 | -10.9 | -0.143 | -0.158 | |
| 2~8 | -0.143 | -0.062 | 0.251 | 0.604 | 0.604 | -2.14 | -0.143 | -0.020 | |
| 泵c控制压差/m | 5~11 | -0.090 | -0.164 | -0.343 | -0.713 | -0.713 | -1.83 | -0.090 | -0.713 |
| 4~10 | -0.090 | -0.164 | -0.343 | 0.126 | 0.126 | -5.62 | -0.090 | -0.150 | |
| 2~8 | -0.090 | -0.028 | 0.263 | 0.607 | 0.607 | -0.744 | -0.090 | -0.013 | |
③对于压差控制回路,压差控制点的位置越靠近主循环泵,该回路的水力稳定性越好。表4中同样是采用平坦型的循环泵,当控制的是用户4两端的压差时该回路的水力稳定度为-5.62,而当控制用户2两端的压差时其稳定度变为-0.744,变化也是非常明显的。
④压差控制点的位置对其它回路的稳定性同样有影响,特别是对末端的用户,当然这种影响不如对压差控制回路的影响严重。对于这些回路,并不是说压差控制点越靠前越好,而是希望压差控制点能够在接近中间的某一位置。
当然,加粗干管管径或提高水泵扬程是改善水力稳定性的最有效措施,但这是以增加初投资或运行费用作为代价的,因此有其自身的局限性,在此不再讨论。当然,对于VWV系统,上述关于压差控制位置的选择同样会影响运行工况的水泵能耗变化,在实际设计时需要综合考虑,在二者之间取得平衡。
3 同程系统
对于前面讨论的异程系统,往往出现末端用户水力稳定性很差的情况,而前端用户的水力稳定性极好。但对于同程系统,如果设计合理,可以避免前后端用户水力稳定性相差悬殊的问题。图3所示管网供水侧管径与图1完全一致,而回水侧管径前后进行了对调,在此基础上形成一个同程管网。若不考虑增加的一段母管长度,得到各回路的水力稳定度如表5所示。从表中可能看出,水力稳定性较前面的异程管网大幅度改善。水力稳定性最差的回路Ks值为0.210。但与异程管网不同的是,同程系统水力稳定性最差的用户往往出现在网络中部的用户,这就是为什么同程系统有时会出现中部用户供热空调效果差甚至出现倒流[4]的原因。
图3 同程系统
表5 同程系统的稳定性
| 回路D | 回路F | K | 回路D | 回路F | K |
| 1 | 2-6 | 0.077 | 4 | 1-3,5-6 | 0.210 |
| 2 | 1,3-6 | 0.134 | 5 | 1-4,6 | 0.176 |
| 3 | 1-2,4-6 | 0.169 | 6 | 1-5 | 0.106 |
4 分布式变频加压泵系统
采用分布式变频泵调节的系统[5],各末端根据各自己回路的需要配置相应的水泵并通过调节水泵转速来匹配用户对流量的要求,这就减少了阀门的阻力损失,对于一般的VWV系统可较常规方式节能20%~40%。但采用这种系统其水力稳定性如何,系统是否容易调节和控制呢?
图4是一个简单的分布式变频泵系统,其管段参数和用户情况与图1完全相同。设计工况下,主循环泵的扬程和末端加压泵扬程之和正好等于图1中循环水泵的扬程,而其它加压泵的扬程都比末端的小,因而该系统较图1是节能的。分析表明,回路7的压差控制位置选在网络的中部(用户3)对提高各回路的水力稳定性是最有利的。表6是在此情况下不同水泵特性组合时各回路的水力稳定度。
图4 分布式变频系统
表6 加泵系统的稳定性
| 主循环泵 | 用户加压泵 | 回路D | 回路F | Ks |
| 特性曲线平坦型 | 特性曲线陡峭型 | 2 | 1,3-7 | -0.232 |
| 4 | 1-3,5-7 | 0.233 | ||
| 6 | 1-5,7 | 0.354 | ||
| 7 | 1-6 | -1.14 | ||
| 特性曲线平坦型 | 2 | 1,3-7 | -0.376 | |
| 4 | 1-3,5-7 | 0.530 | ||
| 6 | 1-5,7 | 0.721 | ||
| 7 | 1-6 | -1.985 | ||
| 特性曲线陡峭型 | 特性曲线陡峭型 | 2 | 1,3-7 | -0.294 |
| 7 | 1-6 | -2.016 | ||
| 特性曲线平坦型 | 2 | 1,3-7 | -0.450 | |
| 7 | 1-6 | -3.475 |
从表中可以看出,选用特性曲线平坦型的主循环泵和陡峭型的用户加压泵对提高各回路的水力稳定性是最有利的。例如表中第1组数据中回路2的水力稳定度为-0.232,而第4组中的却变为-0.450;第1组数据中回路7的水力稳定度为-1.14,而第4组数据中的却变为-3.475。可见对于此种系统,泵的类型选择对改善系统的稳定性至关重要。
另外,比较表6和表2、表4可以看出,表6中系统的稳定性从整体上得到了提高,特别是末端用户的水力稳定性得到了较大的提高,因此这种系统在改善系统的水力稳定性方面也是有利的。可见,只要设计合理,是可以找到一种既节省运行费用又提高系统稳定性的系统形式的。
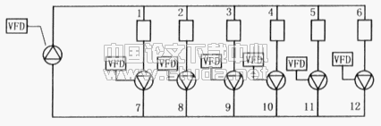
混水系统是集中供热经常采用的一种方式,图5是一个简单的混水系统示意图。各用户入口调节阀门控制一次供水量,混水支路的阀门用来控制混水比。为简单起见,先考虑各阀门控制相应支路流量的情况,它基本可以反映供水和混水支路的耦合程度以及各个用户的耦合程度。假设各供水支路依次构成1-6回路,各混水支路依次构成7-12回路,得到各种情况下的水力稳定性,如表7所示。

图6 加压泵系统的稳定性
表7 各阀门控制相应支路的流量时对应的Ks的值
| 回路D | 回路F | Ks | 回路D | 回路F | Ks |
| 6 | 12 | 0.101 | 5 | 1-4,6 | 0.495 |
| 5 | 6 | 0.345 | 5 | 1-4,6-12 | 0.522 |
| 11 | 6 | 0.035 | 11 | 1-10,12 | 0.101 |
若要通过混水阀门来控制各用户的总水量,则相应的水力稳定性如表8所示。
表8 混水阀门控制用户水量时的稳定性
| 回路D | 回路F | Ks | 回路D | 回路F | Ks |
| 6 | 12 | -0.290 | 11 | 1-10,12 | -0.290 |
| 6 | 5,11,12 | 0.232 | 5 | 1-4,6-12 | 0.430 |
从表7和表8可以看出,对于混水系统,各供水支路的稳定性变差,也就是回路之间的相互作用增强了。同时,每一用户混水支路和一次供水支路两个阀门调节回路的耦合也比较强,这些都有增加了系统调节的难度。特别是当管路设计或水泵选择不合理时,混水回路对一次供水回路的稳定性将会变得更差,这就是混水系统往往难以调整的原因。
6 环形网
图6是按枝状网设计的一个简单,各管段的长度都为500m,管径示于图中。共10个用户,各用户的流量都为20m3/h,。将两个分支的末端连接起来(如图中虚线)构成一个环状管网。
图6 某一简单网络拓扑结构
有人认为环形网不仅能提高系统的可靠性和运行调度的灵活性,而且还可以提高系统的水力稳定性。下面比较上述两个管网在同一工况下的水力稳定性差别。图中共有10个闭环控制回路,全部是由用户的阀门控制相应用户的流量,上一分支从左到右依次称为1-5回路,下一分支从左到右依次列为6-10回路,主循环泵特性曲线:H=32.0~0.015G-0.0001G2。从
表9 枝状网与环形网的稳定性比较
| D | 1 | 2 | 3 | 4 | 5 | 5 | 4 |
| F | 2-10 | 1,3-10 | 1-2, | 1-3, | 1-4, | 10 | 5,9,10 |
| 4-10 | 5-10 | 6-10 | |||||
| 枝状网 | 0.023 | 0.048 | 0.233 | 0.422 | 0.422 | 0.00003 | 0.278 |
| 环形网 | 0.021 | 0.039 | 0.166 | 0.313 | 0.573 | 0.300 | 0.179 |
表9中可以看出,简单地将枝状网末端相连形成环形网后,部分用户的水力稳定性有所提高,但两个分支的最末端用户水力稳定性反而下降了,这是因为将末端相连后,两个末端之间的水力耦合增强了,因此回路的水力稳定性下降。当然,实际设计环形网时并不是简单地将枝状网末端相连而形成的,但简单地认为环形网可以提高系统的水力稳定性显然是不准确的。特别是对于大型的多用户管网,环形网和枝状网在同样的设计条件下,其稳定性并没有显著的差别。
7 结论
7.1 随着系统形式更趋复杂和多样化,亟需确立一个通用的水力稳定性指标来探讨不同系统形式在稳定性上的差别,从而更好地指导设计和运行调节。本文采用的一个无量纲数Ks可以满足这方面的要求,它从考察各个回路的相互作用程度入手,不仅可以对传统的简单系统进行稳定性评价,还可以对各种复杂的系统形式如分布式变频泵系统以及环形网等进行分析比较。
7.2 适应不同的工程要求,可以通过选择合适的系统形式来达到在不影响性的基础上增加系统水力稳定性的上的。分析表明,采用同程系统或分布式变频加压泵等系统形式有利于提高系统的稳定性。
7.3 对某些系统形式,水泵特性以及定压点位置等的合理选择可以提高系统的水力稳定性,也就是说存在水泵特性以及定压点位置等与系统形式合理匹配的问题,这一点在系统设计和设备选型时需要引起注意。
7.4 在制定调节策略时,通过对各回路水力稳定性的分析,可以了解系统的水力稳定性情况,确定合理的调节策略,评估运行调节可能达到的效果。特别是通过分析可以找到系统的薄弱环节,从而有针对性地采取相应的措施,必要的时候需要考虑对某些回路进行解耦控制。
1 江亿,管网可调性和稳定性的定量分析,暖通空调,1997,27(3)
2 Qin Xuzhong, Jiang Yi , Liu Gang. Hydraulic stability analysis in hydronic systems. The 3rd International Symposium on HVAC, Shenzhen, China, 1999,11
3 戴斌文,狄洪发,江亿,变风量空调系统总风量控制法模拟分析,暖通空调,1999,11
4 石兆玉,供热系统的稳定性及同程系统的使用范围,区域供热,1996,(4)
5 江亿,用变速泵和变速风机代替调节用风阀水阀,暖通空调,1997,27(2)