变压器冷却控制系统控制器的硬件设计
来源:岁月联盟
时间:2010-08-21
关键词:变压器;冷却控制系统;硬件
1变压器冷却控制系统控制模块的设计总体思想
本文所进行的就是对变压器冷却控制系统控制器模块进行设计,其中包括了可以对主变压器风扇投入与切除的温度范围进行自行设定,也可以按照用户的要求而变化。在传统控制方式中,风扇投切的温度限制值是不能改变的,此外,风扇电机的启动和停止温度有一余量,不像传统的控制方式中是一个定值,避免了频繁启动的缺陷,此外还有运行、故障保护及报警等信号的显示及其与控制中心或调度中心的通讯,上传这些信息,如变压器油温、风扇运行状态有无故障等。至于风扇的分组投切设置是为了节约电能,具有一定的意义,但这个分组数不宜过多,以免控制复杂,且散热效果不佳。
控制器主要由AT89CS1单片机、A/D转换器、键盘控制芯片,输出模块、通讯模块以及自动复位电路等组成,其中单片机是控制器的核心,AID转换器是把输入信号转换为数字信号。
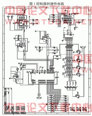
2变压器风扇控制系统的硬件接线
基于以上的要求,我们设计的风扇控制器的硬件线路图如下页图1所示。变压器风扇控制中对控制模块进行改进是本文研究的重点,其中包括主要芯片的选用以及一些抗干扰元件的使用。所以在本章节中,我们重点将要介绍变压器风扇冷却控制模块中的主要硬件芯片的作用、选用以及它们之间的连接力一法。
(1)单片机AT89C51(如图1)。
AT89C51是Atmel公司生产的一种低功耗,高性能的8位单片机,具有8k的flash可编程只读存储器,它采用Atmel公司的高密度不易丢失的存储器技术,并且和标准的80c51和80c52的指令集合插脚引线兼容,其集成的flash允许可编程存储器可以在系统或者通用的非易失性的存储器编程中进行重新编程。AT89C51集成了一个8位的CPU, 8K的flash。256字节的EDAM, 32位的I/0总线。三个16字节的定时器/计数器,两级六中段结构,一个全双工的串行口,振荡器及时钟电路。AT89C51是完成系统的数据处理和系统控制的核心,所有其它器件都受其控制或为其服务。
在本文中,经过TLC 1543 A/D转换器后输出的数字量输入到AT89C51单片机中,同时在进行了温度参数的设置以后,进行它的输出控制,其中包括了变压器的温度显示、状态显示、以及声音报警设备等等,也就是我们所研究的变压器冷却控制系统的核心部分。
(2)变压器的温度采集及温度处理模块。在变压器的风扇冷却自动控制系统中,第一步进行的就是对变压器上层油温进行的温度采集工作。变压器的温度采集是由变压器的温度控制器来实现的,其中包括铂电极、传感器以及变送器。经过温度控制器输出的信号进入变送器,变送器送出一个4一20毫安的电流信号,然后将此电流信号通过控制芯片上的电阻元件实现电流电压信号的转换,转换后的电压是在0.4一2(伏特)之间,然后将此电压信号输入到TLC 1543数模转换器,进行信号处理。变送器输出信号有电流和电压信号两种,考虑到变压器安装的位置(室外)距本控制装置(室内)有一定的距离,电流信号不易损失,故选择了4一20毫安的电流信号。 (3)11通道10位串行A/D转换器丁LC1543。
TLC1543 A/D转换器是美国TI公司生产的众多串行A/D转换器中的一种,它具有输入通道多、转换精度高、传输速度快、使用灵活和价格低廉等优点,是一种高性价的模数转换器。TLC 1543是CMOS,10位开关电容逐次逼近模数转换器。它有三个输入端和一个3态输出端:片选(CS),输入/输出时钟(I/0 CLOCK),地址输入和数据输出(DATAOUT)。这样通过一个直接的四线接口与卞处理器或外围的串行口通讯。片内还有14通道多路选择器可以选择11个输入中的任何一个三个内部自测试(self-test)电压中的一个。
(4)BC7281 128段LED显示及64键键盘控制芯片。
BC7281是16位LED数码管显示器键盘接口专用控制芯片,通过外接移位寄存器(典型芯片如74HC164, 74LS595等),最多可以控制16位数码管显示或128支独立的LED。 BC7281的驱动输出极性及输出时序均为软件可控,从而可以和各种外部电路配合,适用于任何尺寸的数码管。
BC7281各位可独立按不同的译码方式译码或不译码显示,译码方式显示时小数点不受译码影响,使用方便;BC7281内部还有一闪烁速度控制寄存器,使用者可随时改变闪烁速度。
BC7281芯片可以连接最多64键C8*8)的键盘矩阵,内部具有去抖动功能。它的键盘具有两种工作模式,BC7281内部共有26个寄存器,包括16个显示寄存器和10个特殊(控制)寄存器,所有的操作均通过对这26个寄存器的访问完成。
BC7281采用高速二线接口与MCU进行通讯,只占用很少的I/O资源和主机时间。
BC7281在本系统中主要用于驱动变压器温度显示的LED以及显示风扇运行状态的指示灯。
前已提及,BC7281芯片内部共有26个寄存器,包括16个显示寄存器和10个特殊功能寄存器,共用一段连续的地址,其地址范围是OOH-19H,其中OOH-OFH为显示寄存器,其余为特殊寄存器。
(5)使用MAX232实现与PC机的通讯。
①MAX232芯片简介
MAX232芯片是1VIAX工M公司生产的低功耗、单电源双RS232发送/接收器,适用于各种E工A-232E和V.28; V.24的通信接口,1VIAX232芯片内部有一个电源电压变换器,可以把输入的+5V电源变换成RS-2320输出电平所需±10V电压,所以采用此芯片接口的串行通信系统只要单一的+5V电源就可以。
我们的设计电路中选用其中一路发送/接收,RlOU T接MCS一51的RXD , T 1工N接MCS一51的TXD, TlOUT接PC机的RD,Rl工N接PC机的TD1。因为MAX232具有驱动能力,所以不需要外加驱动电路。
系统中使用了此技术之后就实现了变压器风扇冷却系统的远程控制,工作人员可以在控制室对冷却系统进行控制,可以达到方便、准确、快捷的日的,这也是我们对传统的风扇冷却控制系统而做的一个重要的改进。
②串行通讯
在此实现中,我们必须要对MCS-51串行接日和PC机串行接日的串行通讯要有一定的了解,串行通信是指通信的发送方和接收方之间数据信息的传输是在单根数据线上,以每次一个二进制位移动的,它的优点是只需一对传输线进行传送信息,囚此其成本低,适用于远即离通信;它的缺点是传送速度低;串行通信有异步通信和同步通信两种基本通信方一式,同步通信适用于传送速度高的情况,其硬件复杂;而异步通信应用于传送速度在50到19200波特之间,是比较常用的传送方式,本文中使用的就是异步通讯方式。
(6)“看门狗”电路DS1232
在系统运行的过程中,为了避免因干扰或其他意外出现的运行中的死机的情况,“看门狗电路”DS1232会自动进行复位,并且能够重读EEPROM中的设置,以保证系统可以安全正常的运行。
美国Dallas公司生产的“看门狗”(WATCHDOG)集成电路DS1232具有性能可靠、使用简单、价格低廉的特点,应用在单片机产品中能够很好的提高硬件的抗干扰能力。
DS1232具有以下特点:
①具有8脚DIP封装和16脚SOIC贴片封装两种形式,可以满足不同设计要求;
②在微处理器失控状态卜可以停止和重新启动微处理器;
③微处理器掉电或电源电压瞬变时可自动复位微处理器;
④精确的5%或10%电源供电监视;
在本变压器冷却控制系统中,DS1232作为一定时器来起到自动复位的作用,在DS1232内部集成有看门狗定时器,当DS1232的ST端在设置的周期时间内没有有效信号到来时,DS1232的RSR端将产生复位信号以强迫微处理器复位。这一功能对于防止由于干扰等原因造成的微处理器死机是非常有效的,因为看门狗定时器的定时时间由DS1232的TD引脚确定,在本设计中,我们将其TD引脚与地相接,所以定时时间一般取为150ms。
3结论
本装置实现了通过单片机自动控制冷却器的各种运行状态并能精确监测变压器的油温和冷却器的各种运行、故障状态,显示了比传统的控制模式的优越性。(1)能够对变压器油温进行监测与控制;(2)实现了变压器冷却器依据不同油温的分组投切,延长了冷却器的使用寿命,有较好的意义; (3)实现了冷却系统的各种状况,如油温、风扇投切和故障等信息的上传,便于值班员、调度员随时掌握情况。
由于固态继电器实现了变压器的无触点控制,解决了传统的控制回路的弊端,同时此控制装置具有电机回路断相与过载的保护功能。由于使用了单片机,因而具有一定的智能特征,实现了油温、风扇的投入、退出和故障等信号的显示以及上传等。通过实际运行表明,该装置的研制是比较成功的。但今后,我们还应该对固态继电器本身的保护进行一些研究,以免主回路因电流过大而造成固态继电器的损坏,以使变压器风扇冷却控制回路更加完善。
1张建国,索南加乐.具有温度预测的变压器油温测控的研制[R],西安大学硕士学位,2001.
2王中,张保会,顾平安.主变压器强油循环冷却系统通风控制回路的改造与完善[R],西安交通大学硕士学位论文,2005.











